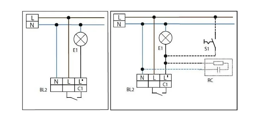
Датчик движения B.E.G. BL-2-FC (93317)
Описание
- Дистанционно управляемый потолочный датчик движения для скрытого монтажа, с круговым диапазоном обнаружения
- Аксессуар для накладного монтажа
- Один канал для коммутации света
- Простая настройка с помощью пульта ДУ (опционально)
- Готов к работе благодаря заводским настройкам
- Высокопроизводительное реле для коммутации мощных светильников
- Специальная оптическая система для регистрации даже наименьших движений
- Заводские настройки: высокая чувствительность, время задержки 3 мин, пороговое значение включения 500 люкс
Примеры использования
Контроль небольших площадей, например лестницы, гаражи, коридоры, санузлы,
Технические данные
- Сетевое напряжение 230 В~ ±10%
- Энергопотребление 0.3 Вт
- Диапазон обнаружения 360°
- Дальность действия перпендикулярно Ø 8 м.
- Дальность действия фронтально Ø 4,8 м.
- Дальность действия присутствие Ø 3,2 м.
- Степень защиты IP23 / Класс II
- Габариты Ø 80 x 61 мм
- Температура окружающей среды -25 °C до +50 °C
- Корпус из высококачественного и устойчивого к УФ поликарбоната
- Пульты IR-BL
Канал 1
- Каналы управления 230V
- Коммутационная способность 1000 Bт, cos φ = 1; 500 BА, cos φ = 0,5
- Настройки времени 15 сек. — 60 мин
- Уровень освещенности 10 - 2000 Люкс