Датчик присутствия B.E.G. PD2-M-DALI/DSI-FC (92258)

Бренд
B.E.G. Luxomat
Артикул
92258
Тип датчика
Присутствия
Цвет
белый
Степень защиты
IP20 (для помещений)
Монтаж
Врезной
EAN
4007529922581
Бренд
B.E.G. Luxomat
Артикул:
92258
Цена:
21191,4 ₽
Заказать
Свяжитесь с нами и мы поможем вам правильно подобрать оборудование и комплектующие
Характеристики
EAN
4007529922581
Тип датчика
Присутствия
Цвет
белый
Степень защиты
IP20 (для помещений)
Монтаж
Врезной
Вариант установки
Потолочный
Угол обнаружения
360°
Дальность обнаружения
5 м
Сенсор
Инфракрасный
Вид питания
DALI, DALI-2
Бренд
B.E.G. Luxomat
Гарантия
36 мес.
Вес
0.3 кг
Описание

Сведения о продукте

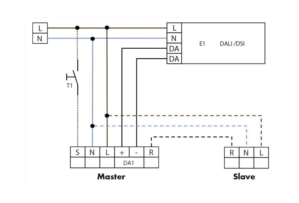
  • Дистанционно управляемый потолочный групповой датчик присутствия PD2-M-DALI/DSI в исполнении ведущего устройства, для скрытого монтажа в подвесной потолок, с интерфейсом DALI и круговым диапазоном обнаружения
  • Удобное и недорогое решение для регулировки постоянного освещения
  • Управление группой цифровых ЭПРА с регулировкой света в количестве до 50 единиц
  • Большое количество программ для настройки с помощью пульта дистанционного управления IR-PD-DALI
  • Переключение между программами DSI и DALI с помощью дистанционного управления

Примеры использования

  • Офисы, комнаты для совещаний, школы, детские сады, больницы

Технические данные

  • Сетевое напряжение 230V
  • Энергопотребление около 0,9 Вт
  • Диапазон обнаружения 360°
  • Дальность действия перпендикулярно Ø 10 м.
  • Дальность действия фронтально Ø 6 м.
  • Дальность действия присутствие Ø 4 м.
  • Степень защиты IP20
  • Габариты Ø 80 x В 84,5 мм
  • Температура окружающей среды от -25°C до +50°C
  • Корпус из высококачественного и устойчивого к УФ поликарбоната
  • Пульты IR-PD-DALI, IR-PD-DALI-E, IR-PD-DALI-LD, IR-PD-DALI-Mini, IR-adapter c App (IOS/ Android)
Канал 1
  • Каналы управления DALI
  • Задающее устройство DALI/DSI макс. 50 ЭПРА
  • Настройки времени от 1 до 30 мин.
  • Уровень освещенности 10 - 2000 люкс
Галерея
Whatsapp
Telegram
Телефон
Email
Наверх

Связаться с нами
Главная Каталог Корзина
0
Избранное Сравнение