Датчик присутствия B.E.G. PD4-M-2C-C-FM (92443)
Описание
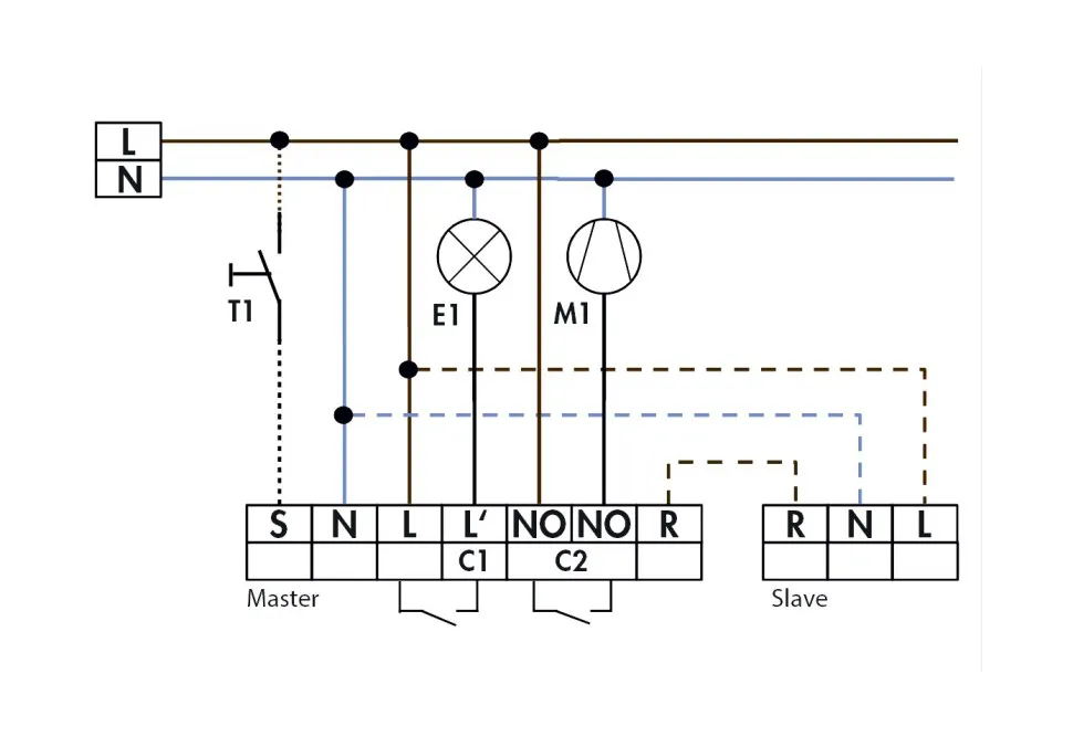
- Дистанционно управляемый потолочный датчик присутствия PD4-M-2C-C в исполнении ведущего (Master) устройства для потолочного монтажа, с узким диапазоном обнаружения, специально для коридоров.
- Два канала коммутации, один для коммутации света, второй с нулевым потенциалом для коммутации ОКВ (отопления, кондиционировании и вентиляции).
- Возможность подключения любого количества SLAVE устройств для расширения диапазона обнаружения!
- Большое количество программ для настройки с помощью пульта дистанционного управления IR-PD-2C
Примеры использования
- Контроль длинных коридоров
Технические данные
- Сетевое напряжение 230V
- Энергопотребление < 1 Вт
- Диапазон обнаружения 360°
- Дальность действия перпендикулярно Ø 40 м.
- Дальность действия фронтально Ø 20 м.
- Степень защиты IP20
- Габариты Ø 104 x В 70 мм
- Температура окружающей среды от -25°C до +50°C
- Корпус из высококачественного и устойчивого к УФ поликарбоната
- Пульты IR-PD-2C, IR-PD-Mini, IR-adapter c App (IOS/ Android)
Канал 1
- Каналы управления 230V
- Коммутационная способность 2300 Bт, cos φ = 1; 1150 BА, cos φ = 0,5
- Настройки времени 15 сек — 30 мин. или импульс
- Уровень освещенности 10 - 2000 люкс
Канал 2
- Каналы управления 230V
- Коммутационная способность Замыкающий контакт, контакт NO, 230 В, 3 A, cos φ = 1
- Настройки времени Импульс сигнала тревоги, импульс или от 5 до 120 мин