Датчик присутствия B.E.G. PD9-S-FC (92905)
Описание
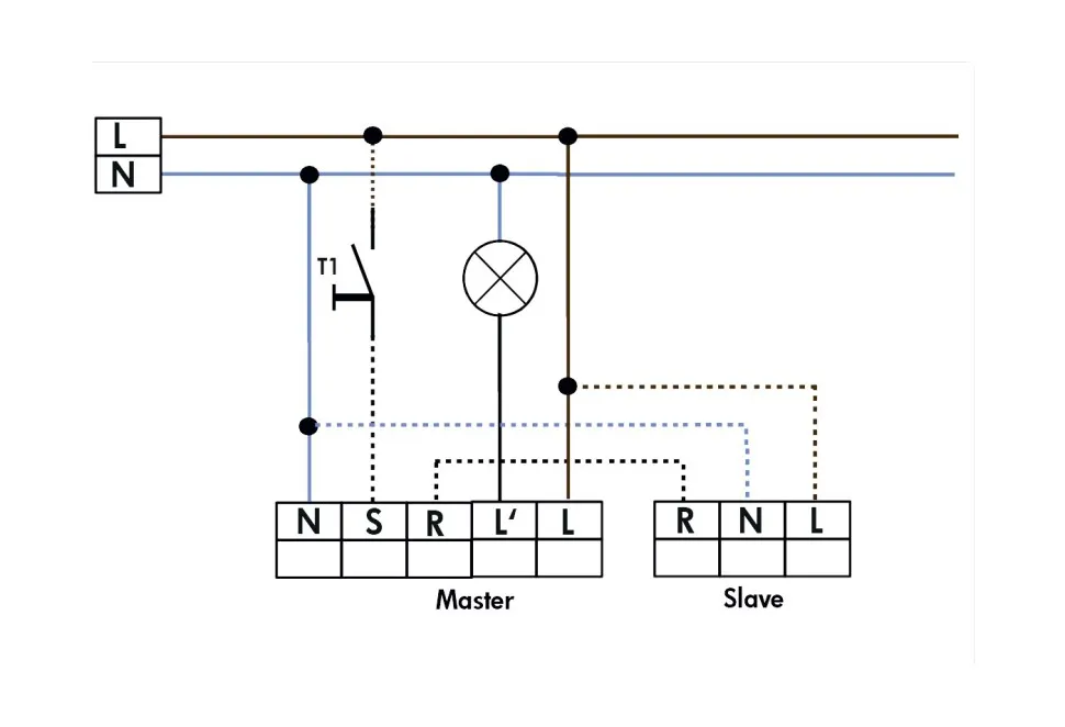
- Мини-датчик присутствия PD9-S-FC, SLAVE устройство с круговым диапазоном обнаружения, для потолочного монтажа или встраивания непосредственно в светильники, для комбинации MASTER и SLAVE устройств
- Датчик присутствия с наименьшими размерами
- Большой энергосберегающий потенциал
- Для коммутации света и коммутации вентиляторов требуется всего одно MASTER-устройство
- Силовая часть проходит через отверстие для сенсорной части в потолке (34 мм Ø)
- Обнаружение движений возможно во всех сегментах помещения благодаря SLAVE устройствам
- Передача переключающего импульса на устройство MASTER при обнаружении движения
- Распознавание движения независимо от окружающей освещенности
- На SLAVE устройстве отсутствуют элементы настройки
Примеры использования
- Офисы, комнаты для совещаний, больницы, передние, детские сады
Технические данные
- Сетевое напряжение 230V
- Энергопотребление около 0,3 Вт
- Диапазон обнаружения 360°
- Дальность действия перпендикулярно Ø 10 м.
- Дальность действия фронтально Ø 6 м.
- Дальность действия присутствие Ø 4 м.
- Степень защиты IP20
- Габариты Датчик: Ø 45 x В 28 мм. Силовая часть: Д 165 x Ш 24 x В 24 мм
- Температура окружающей среды от -25°C до +50°C
- Корпус из высококачественного и устойчивого к УФ поликарбоната
Канал 1
- Настройки времени Импульсная функция: Интервал между импульсами 2 сек или 9 сек