Датчик присутствия Steinel IR Quattro HD DALI plus AP (035273)
Чистый интеллект - установлен в одном датчике.
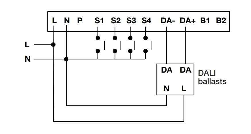
Классная комната, офис открытой планировки или офис для одного человека. Наш датчик присутствия IR Quattro HD DALI plus - это простой способ получить эффективные результаты. Модуль управления освещением, установленный в грузовой секции, делает установку быстрой и легкой. Используя Smart Remote, вы можете управлять до 64 светильниками через 3 канала освещения через приложение (с адресацией DALI). Например, он также имеет дополнительное плавающее реле для минимизации режима ожидания или подключенных групп освещения. 4800 зон переключения и квадратная зона обнаружения с зоной присутствия, покрывающей настоящие 64 м², не оставляют никакого запаса для случайного срабатывания и слепых зон. Уникальность: зону присутствия можно масштабировать механически без малейшей потери качества, а также установить на высоте от 2 до 10 метров и использовать в любом месте.
Технические характеристики
|
Европейский номер артикула (EAN) |
4007841035273 |
|
Тип |
Детектор присутствия |
|
Размеры (Д x Ш x В) |
65 х 120 х 120 мм |
|
Электропитание от сети |
220 - 240 В / 50 - 60 Гц |
|
Сенсорная технология |
Пассивный инфракрасный |
|
Применение |
В помещении |
|
Приложение, комната |
Аудитория, лекционный зал,
|
|
Установка |
Накладной монтаж |
|
Электронная масштабируемость |
Нет |
|
Механическая масштабируемость |
Да |
|
Монтажная высота |
2,50 - 10,00 м |
|
Оптимальная высота установки |
2,8 м |
|
Угол обнаружения |
360 ° |
|
Угол раскрытия |
160 ° |
|
Защита нижней зоны |
Да |
|
Возможность маскировки отдельных сегментов |
Нет |
|
Радиальный вылет |
8 x 8 м (64 м²) |
|
Вылет по касательной |
20 х 20 м (400 м²) |
|
Сумерки УЧИТЬ |
Да |
|
Настройка сумерек |
10 - 1000 лк |
|
Настройки времени |
5 с - 60 мин. |
|
Контрольный выход, Дали |
Адресные / широковещательные 64 электронных балласта |
|
Постоянное управление освещением |
Да |
|
Базовая функция уровня освещенности |
Да |
|
Время работы основного уровня освещенности |
1-60 мин, всю ночь |
|
Функции |
4 входа для обычных переключателей,
|
|
Настройки через |
Пульт дистанционного управления,
|
|
С дистанционным управлением |
Нет |
|
Взаимосвязь |
Да |
|
IP-рейтинг |
IP20 |
|
Материал |
Пластик |
|
Температура окружающей среды |
0°С ... +40°С |
|
Цвет |
Белый |
|
Цвет, RAL |
9010 |
|
ID, сертификаты |
VDE |
|
Гарантия производителя |
5 лет |
|
Версия |
Накладной монтаж |
|
Интерфейс |
DALI-2 Application Controller |
|
Сенсорная технология |
Пассивный инфракрасный |