Датчик присутствия Theben LUXA 104 S360-200-24 DE-UP WH (1040200)
Описание функции
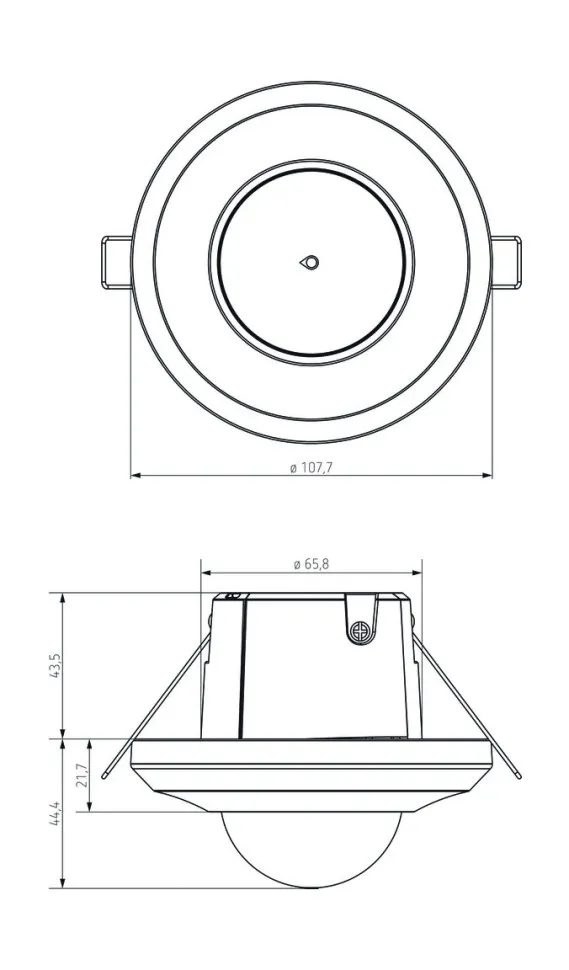
- Пассивный инфракрасный датчик присутствия для потолочной установки (встраиваемый или в подвесной потолок)
- Круговая зона обнаружения 360°, до Ø 24 м (452 м 2 ) при монтажной высоте 3 м
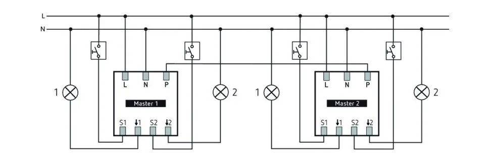
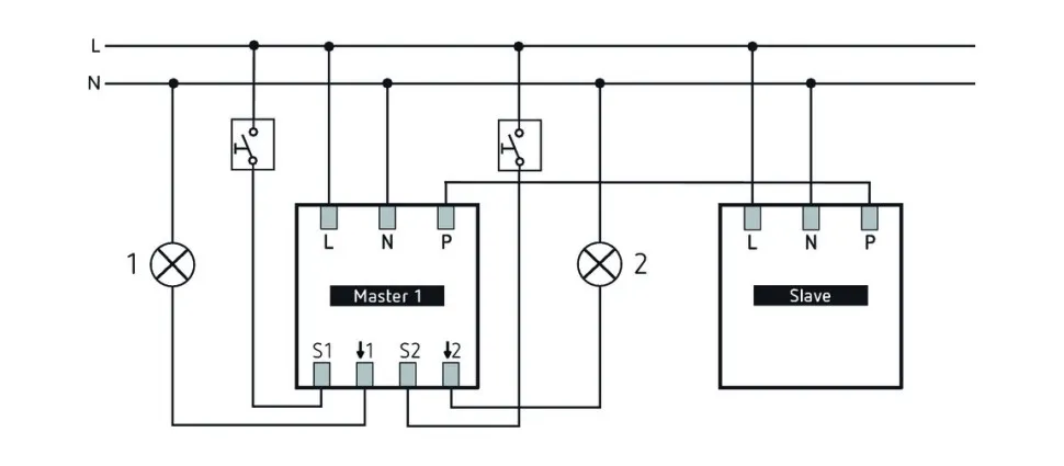
- 2 канала света с 2 измерениями света (Реле 230 В)
- Автоматическое управление освещением в зависимости от присутствия и освещенности
- Измерение смешанного света, подходящее для люминесцентных ламп (FL/PL/ESL), галогенных ламп/ламп накаливания и светодиодов
- Выбор полностью или полуавтоматического режима работы
- Регулируемое значение переключения яркости
- Функция обучения
- Сокращение времени задержки отключения в случае кратковременного присутствия (краткое присутствие)
- Вариант подключения для кнопки
Технические данные
| Рабочее напряжение | 230 В переменного тока |
| Частота | 50 Гц |
| Потребление в режиме ожидания | ≤0,5 Вт |
| Измерение света | Измерение смешанного света |
| Количество каналов | 2 |
| Цвет | белый |
| Коммутационный выход | 2 х свет |
| Тип установки | Потолочная установка |
| Диапазон настройки яркости | 10 – 3000 лк |
| Угол обнаружения | 360° |
| Высота установки | 2 – 5 м |
| Лампа накаливания/галогенная нагрузка | 2300 Вт |
| Пусковой ток | Максимум. 800 А / 200 мкс |
| Светодиодная лампа < 2 Вт | 60 Вт |
| Светодиодная лампа 2-8 Вт | 600 Вт |
| Светодиодная лампа > 8 Вт | 600 Вт |
| Лампы |
Лампы накаливания/галогенные,
люминесцентные, энергосберегающие, светодиоды |
| Диапазон обнаружения | 452 м² (ø 24 м | 360°) |
| Дистанционно управляемый | Да |
| Температура окружающей среды | -15°С ... +45°С |
| Класс защиты | II |
| Тип защиты | IP 40 |
Зона обнаружения
| Монтажная высота (А) | По диагонали (Т) | Направляйтесь к (R) | Сидя (С) |
| 2,5 м | 452 м² | 24 м | 28 м² | 6 м | 28 м² | 6 м |
| 3 м | 452 м² | 24 м | 13 м² | 4 м | 13 м² | 4 м |