Лестничный таймер Theben ELPA 047 (0470002)
Описание функций
- Лестничные реле, врезной монтаж
- Подходит для модернизации системы освещения и новой инсталляции
- Могут использоваться и кнопки (коротко замкнутый выключатель, кнопка звонка) и обычные выключатели (вкл/выкл)
- Замыкание реле при нулевом значении тока
- Входы подключения для кнопок/выключателей с электронной защитой от перегрузки
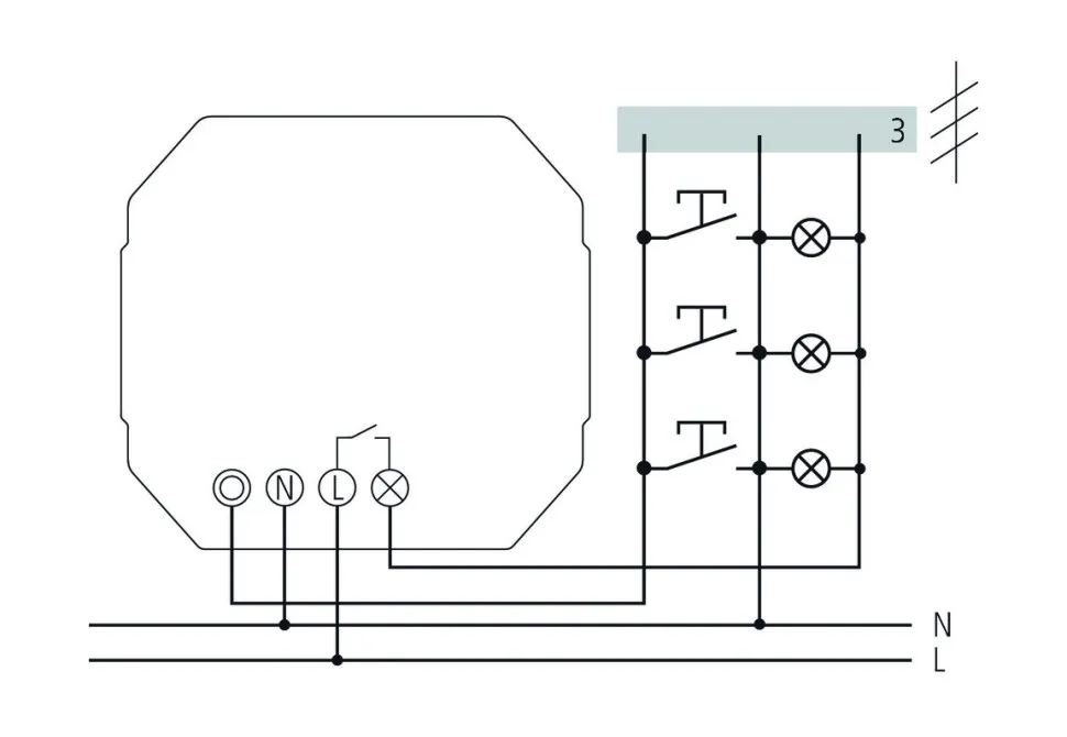
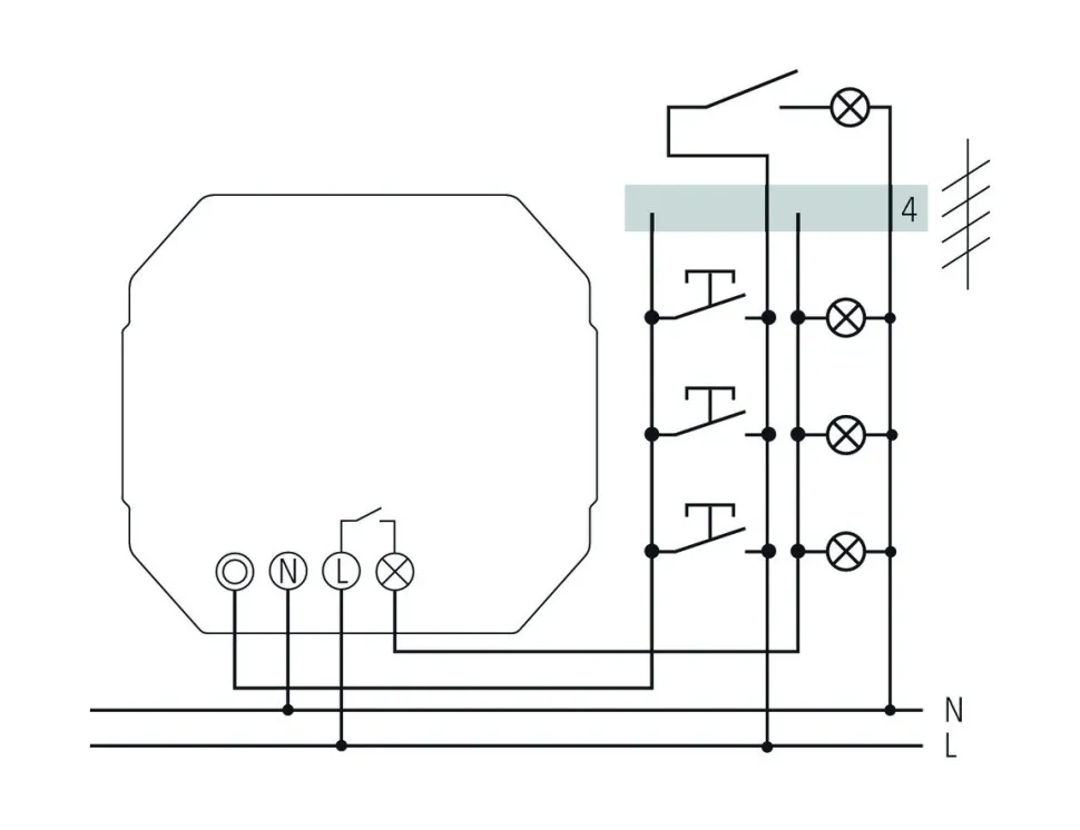
- Автоматическое определение 3-х или 4-х проводного подключения (4-х проводное подключение для обеспечения поэтажного подключения кнопок)
- Прибор высокой точности
- Функция принудительного отключения (до истечения задержки отключения)
Технические характеристики
| Номинальное напряжение | 230 В |
| Частота | 50 – 60 Гц |
| Тип монтажа | Врезной монтаж |
| Энергопотребление в режиме ожидания | ~0,1 Вт |
| Нагрузка ламп тлеющего разряда | 30 мА |
| Диапазон настройки времени | 0,5 – 20 мин |
| Тип подключения | 3-/4-проводное |
| 3/4 проводной | Автоматический |
| Вторичная коммутация | Тотчас |
| Тип контактов | Нормально разомкнутые контакты |
| Ширина открытия | < 3 мм (µ) |
| Релейный выход | Потенциалозависимые (230 В) |
| Лампы накаливания/галогенные | 1800 Вт |
| Нагрузка люминесцентных ламп (обычных) со стабилизирующей схемой (lead-lad) | 1200 ВА |
| Нагрузка люминесцентных ламп (обычных) параллельно компенсированных | 580 ВА 54 µF |
| Энергосберегающие лампы | 110 Вт |
| Светодиодные лампы < 2 Вт | 20 Вт |
| Светодиодные лампы 2-8 Вт | 250 Вт |
| Светодиодные лампы > 8 Вт | 250 Вт |
| Нагрузка люминесцентных ламп (Электронный балласт) | 200 ВА |
| Нагрузка люминесцентных ламп (обычных) последовательно компенсированных | 1200 ВА |
| Нагрузка люминесцентных ламп (обычных) не компенсированных | 1200 ВА |
| Коммутационная способность | 6 AX при 230 В AC, cos φ = 0,3, 10 A при 230 В AC, cos φ = 1 |
| Предупреждение о выключении | Нет |
| Мультивольтовый вход | Нет |
| Коммутация при нулевом значении тока | Да |
| Протестировано | VDE |
| Материалы корпуса и изоляции | Термостойкий самозатухающий термопластик |
| Температура окружающей среды | -25°C ... +45°C |
| Класс электрической защиты | II |
| Степень защиты | IP 20 |