Сумеречный выключатель B.E.G. CdS-DIM-FC (92589)
Описание
- Сумеречный выключатель с дистанционным управлением LUXOMAT® CdS-DIM-FC для встраиваемого монтажа с интерфейсом 1-10V
- Управление шины 1-10V, до 50 устройств, силовое реле для полного отключения освещения
- Диммировать освещение, устанавливать текущий порог освещенности и задавать время задержки, все эти функции доступны с помощью пульта ДУ IR-CdS
Примеры использования
Идеально подходит для использования в местах общего пользования, лестничных клетках, офисах и где требуется постоянное освещение
Технические данные
- Сетевое напряжение 230V
- Степень защиты IP20
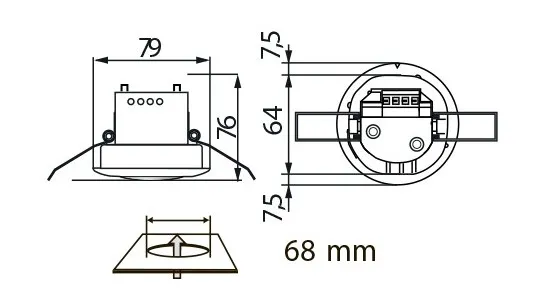
- Габариты Ø 79 мм x 76 мм
- Температура окружающей среды от -25°C до +50°C
- Корпус из высококачественного и устойчивого к УФ поликарбоната
- Пульты IR-CdS, IR-adapter с App ( iOS / Android )
- Коммутационная способность 2300 Вт, cos φ = 1, 1150 VA, cos φ = 0.5
- Коммутационная способность 1-10 V DC, до 50 ЭПРА
- Настройки времени Задержка включения: автоматически Задержка выключения: 1 мин - 30 мин
- Уровень освещенности 10 - 2000 Lux