Таймер цифровой недельный Theben TR 609 top2 S (6090101)
Описание функций
- Цифровые таймеры с недельной программой
- 1 канал
- 84 ячейки памяти
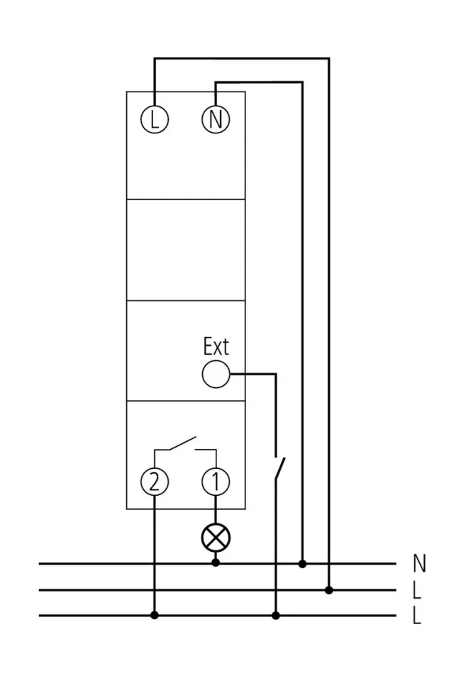
- Внешние входы
- Возможность подключения внешних датчиков и управляющей аппаратуры
- Возможность подключить внешние выключатели (Постоянно Включено/Выключено)
- Программа Импульс
- Программа Цикл
- Таймер обратного отсчета
- Две случайные программы
- Пружинные клеммы DuoFix
- Для 2 проводов каждая
- Однопроволочная или многопроволочная жила (с применением гильз и без них)
- Сечение провода: 0,5 - 2,5 мм²
- Кнопка для легкого извлечения провода
- Текстовое меню настройки прибора
- Предустановленные дата и время
- готов к эксплуатации без подключения к сети
- Интерфейс для карты памяти Obelisk top2 (настройка прибора на ПК)
- Запуск программ с карты памяти
- Копирование программ
- Хранение программ
- Ресурс автономного питания 10 лет (литиевая батарея)
- Время Включения/Выключения
- Принудительное переключение
- Переключение Постоянно Включено / Постоянно выключено
- Встроенный счетчик часов наработки
- Сброс настроек
- Сервисная функция для контроля интервалов технического обслуживания
- Программа праздничных дней, каникул
- Переключение Постоянно Включено / Постоянно выключено
- Защита PIN кодом
- Автоматический переход на зимнее/летнее время
- может быть деактивирована
- Правила переключения времени для Европы, США и других стран
- возможность создать собственное правило переключения зимнего/летнего времени
Технические характеристики
| Номинальное напряжение | 230 – 240 V AC |
| Частота | 50 – 60 Гц |
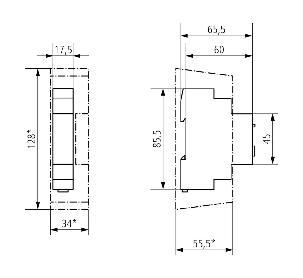
| Ширина | 1 мо́дуль |
| Тип монтажа | DIN рейка |
| Тип контактов | Нормально разомкнутые контакты |
| Релейный выход | Фазонезависимый |
| Ширина открытия | < 3 mm (µ) |
| Программа | Недельная программа |
| Функции программ | ВКЛ-ВЫКЛ, импульс, цикл. |
| Количество каналов | 1 |
| Внешние входы | 1 |
| Количество ячеек памяти | 84 |
| Резервное питание | 10 лет |
| Коммутационная способность при 250 В AC, cos φ = 1 | 16 A |
| Коммутационная способность при 250 В AC, cos φ = 0,6 | 4 A |
| Лампы накаливания/галогенные | 2000 Вт |
| Энергосберегающие лампы | 300 Вт |
| Светодиодные лампы < 2 Вт | 55 Вт |
| Светодиодные лампы 2-8 Вт | 600 Вт |
| Светодиодные лампы > 8 Вт | 600 Вт |
| Нагрузка люминесцентных ламп (обычных) не компенсированных | 2000 ВА |
| Нагрузка люминесцентных ламп (обычных) последовательно компенсированных | 2000 ВА |
| Нагрузка люминесцентных ламп (обычных) параллельно компенсированных | 1300 Вт 140 µF |
| Коммутационная способность мин. | ~10 мА |
| Минимальный время переключения | 1 s |
| Точность хода | типичный ± 0,25 сек/день (кварц) |
| вре́мя | Кварц |
| Энергопотребление в режиме ожидания | ~0,4 Вт |
| Потеря мощности максимальная | 1,2 Вт |
| Содержит карту памяти | нет |
| Протестировано | VDE |
| Тип подключения | Пружинные клеммы DuoFix |
| Дисплей |
ЖК-дисплей с текстовой строкой
|
| Клавиатура | 4 кнопки, 1 кнопка сброс |
| Материалы корпуса и изоляции | Термостойкий самозатухающий термопластик |
| Степень защиты | IP 20 |
| Класс электрической защиты | II в соответствии с EN 60 730-1 |
| Выходное | 230 V AC |
| Температура окружающей среды | -25°C ... +55°C |